Aluplast(German Profile)
All windows shall be manufactured using 100% lead free Aluplast profiles Germany in WHITE color with coextruded black Gasket
Screws
All the screws and the anchors used in the making and fixing of the windows will from Wurth, Germany or equivalent
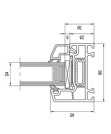
Section

Glass
Glass thickness is selected based on the height of window (min 5mm). Glass design may be tempered or laminated according to clients requirment
Reinforcement
All the reinforcement used for making windows will be Galvanized steel with the thickness of starting from 1.2mm based on wind load calculation.
Sealants
All the Sealants and PU- foam that will be used at the time of fixing the doors and windows will be from DOWCORING or equivalent










